010 - 88125588

北京航天常興科技發展股份有限公司
地址:北京市大興區金星路 30 號
郵編:102600
郵箱:htcx@htcxcloud.com
電話:010-88125588
010-88121515
010-69297973
傳真:010-88125588? 轉 833
售前:010-88121515 轉 828
售后:010-88125588 轉 808
詢價:010-88125588 轉 834
電氣安全服務專線:400-968-0119
電氣火災監控系統,是火災自動報警系統的獨立子系統,屬于火災自動報警系統??梢栽陔姎饩€路及所在線路中的配電設備或用電設備發生電氣故障并產生一定電氣火災隱患的條件下發出聲、光報警,及時提醒專業人員排除電氣火災早期隱患,實現電氣火災的極早期預防,有效避免電氣火災的發生。
第一節 電氣火災成因
接地故障和帶電導體間的短路線路負載過重是電氣火災的基本成因,電氣火災中的接地故障指的是帶電導體與地面的短路,如下圖所示:

電氣火災主要是由于線路漏電、短路、過流、接觸電阻過大或絕緣擊穿造成高溫、電火花和電弧等所造成的。其中,發生概率最高、危害最大的是接地故障產生的電弧性短路,這是因為漏電時形成的電弧具有很大的阻抗和電壓降,它限制了故障電流,使過電流保護器不能動作,而漏電幾百毫安電弧產生的局部高溫可達 2000℃ 以上,可以引燃臨近的可燃物而引起電氣火災。就電氣火災而言,接地故障遠較一般短路故障具有更大的危害性,它是最常見最多發的電氣火災起火源。
第二節 電氣火災監控系統簡介
電氣火災監控系統:簡稱 EFP-ACS,用于在線監測 AC220V/380V 配電線路的剩余電流(即漏電電流)和線路溫度值,當被監測的線路任一回路漏電電流和溫度超過報警值時,系統立即發出報警信號,顯示漏電電流、溫度大小,并顯示出報警地址號及所在方位。安裝電氣火災監控系統能有效預防因漏電導致接地電弧短路、過溫所引起的電氣火災。
電氣火災監控系統由監控設備(EFP-ACN)與監控探測器(EFP-CLD)組成。探測器采用剩余電流互感器(ZT)、感溫探頭(PT)來檢測配電線路的漏電電流、溫度,并把相關信息經總線傳送至監控設備,監控探測器也可同時具有檢測溫度或漏電電流功能。監控設備安裝在值班室,實時接收探測器發送的漏電報警值、線路溫度值和監測設備故障信息,具有聲光報警、數字顯示、數據存儲、查詢、打印信息、報警信號輸出及控制信號輸出等功能。系統構成如下圖所示:

電氣火災監控系統(EFP-ACS)組成示意圖
對于有多個變電室的大型用電單位,可設置多個電氣火災監控子電氣火災監控支路,系統的 Hub 集線器把報警信號傳給總值班室的計算機,構成計算機集中監測的集散管理系統。如下圖所示:

計算機集中管理監控系統
第三節 產品特點和技術特性
● 在線檢測 24小時實時在線檢測低壓配電系統的絕緣性能,提高預警,提示檢修,提高配電系統的本質安全度,是預防和減少電氣火災的有效技術手段。
● 功能完備 數字顯示漏電電流值、聲光報警、手動自檢、預檢、設備故障自動檢測、數據存儲和查詢、報警信號輸出、控制信號輸出、打印信息、與上位 計算機聯網。
● 品種齊全 多種型號的漏電探測器、溫度探測器及過流探測器,能獨立使用也可以和電氣火災監控設備聯機構成系統使用,滿足各種用戶需求。
● 使用可靠 剩余電流互感器的屏蔽結構保證了良好的抗電磁干擾能力,杜絕發生誤報警。
● 安裝方便 剩余電流互感器為對插式結構,安裝時不必斷電斷線。
第四節 系統產品介紹
1. DJ-800 系列電氣火災監控設備
電氣火災監控設備安裝在值班室,以總線方式與多臺監控探測器相連,接受各監控探測器發送的漏電、溫度報警信息構成分散監測集中報警的電氣火災監控系統。

● 軟件功能 監控軟件能接收多臺剩余電流探測器的剩余電流、溫度等信息,顯示屏指示報警部位及剩余電流值、溫度值,同時記錄時間及所在位置信息,也可遠程對探測器集體復位、設置等操作,對于聲音報警信號可以使用消音鍵手動消除。
● 故障報警功能 當電氣火災監控設備與所接的任一臺探測器之間發生通訊故障時,監控設備主屏中相應探測器的標志燈顯示黃色,由此可以確定與哪臺探測器的通訊發生了故障。當電氣火災監控設備主電源故障或備用電源故障時,也會在監控設備主屏任務欄里面顯示。
● 數據存儲及打印功能 當發生剩余電流漏電報警、通訊故障時,電氣火災監控設備會自動把報警、故障相關信息存儲在數據庫中,以便及時查詢相關信息和及時打印相關信息。
1.1 電氣火災監控設備型號表示方法

1.2 產品配置、外觀一覽表(單位mm)

1.3 主要功能和技術性能指標

2. DT-200系列電氣火災監控探測器
按檢測功能,監控探測器可分為以下 3 類:
● 剩余電流式電氣火災監控探測器 由剩余電流互感器和剩余電流式電氣火災監控探測器本體組成,用于檢測配電線路的剩余電流值。
● 測溫式電氣火災監控探測器 由溫度傳感器和測溫式電氣火災監控探測器主體組成,用于檢測配電線路線纜及配電箱體的工作溫度。
● 組合式電氣火災監控探測器 既可以測配電系統溫度值也可以測配電系統剩余電流值。最多可監測4路溫度值和4路剩余電流值。
▲ 電氣火災監控探測器可以單獨使用,也可以和電氣火災監控設備或智能數據傳輸單元(iDTU)配合使用構成無線聯網數據業務系統。
2.1 電氣火災監控探測器型號表示方法

2.2 產品配置、外觀一覽表(單位mm)

2.3 主要功能和技術性能指標

2.4 電氣火災監控探測器接線示意圖
2.4.1 剩余電流式、測溫式電氣火災監控探測器接線圖
如下圖所示的接線端子排,按面板上的接線銘牌所示,在“總線”處接入通訊線,A為正(+)、B為負(-),根據不同功能的電氣火災監控探測器( L剩余電流式、W 測溫式),在輸入1、2、3、4、5、6、7、8處分別接入 1-8 路剩余電流互感器或溫度傳感器(不分極性)。

剩余電流式(L)、測溫式(W)探測器端子接線圖
2.4.2 混合型電氣火災監控探測器接線示意圖
如下圖所示的接線端子排,按面板上的接線銘牌所示,在“總線”處接入通訊線,A為正(+)、B為負(-),根據不同功能的電氣火災監控探測器回路監測功能需求,在輸入1、2、3、4處接入剩余電流互感器(不分極性)5、6、7、8處接入溫度傳感器(不分極性)。

混合式(LW)探測器端子接線圖
2.5 電氣火災監控探測器安裝方法
以模塊式電氣火災監控探測器為例,按照下圖安裝尺寸在所需安裝方位或配電箱壁上下鉆孔,用探測器所配套的卡扣和螺釘固定即可。也可以選擇標準導軌安裝。

電氣火災監控探測器安裝示意
2.6 剩余電流互感器
剩余電流互感器,用于提取被監測電氣線路的剩余電流值,是保證檢測剩余電流值精度和可靠性的關鍵器件,
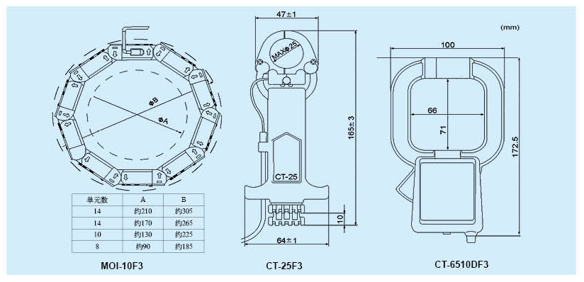
2.6.1 剩余電流互感器型號尺寸表示方法
2.6.2 ZT高精度對插式剩余電流互感器
航天常興自主研制的高精度對插式剩余電流互感器為自有專利產品,具有如下特點:
● 高靈敏度、高精度(1%) 具有優良的比差和角差特性
● 抗電磁干擾能力強 當周邊干擾電流為100A時,其干擾感應電流<10mA
● 對插式結構安裝簡單方便 工程使用無需斷電斷線

2.6.3 CT貫通式剩余電流互感器
貫通式剩余電流互感器,采用鐵基材料制成,外部由環氧樹脂封裝,抗干擾能力和防水能力超強,且體積小外形、規格豐富、應用較為靈活方便。

2.6.4 剩余電流互感器的使用、安裝方法及外形尺寸
■ 使用方法
如下圖所示,將互感器套在被測線纜上,對于三相線路 L1、L2、L3 及 N 相線要同時穿過剩余電流互感器內徑,對于單相線路 L 及 N 相線要同時穿過剩余電流互感器內徑。剩余電流探測器的 ZT 量即是被測線路的剩余電流值,俗稱漏電值。

剩余電流互感器使用示意圖
對插式剩余電流互感器可以用尼龍扎帶直接固定于所使用區域線纜上,也可以把對插式剩余電流互感器直接固定于配電箱體上。對插式剩余電流互感器的配件中有安裝箱體固定支架,支架式安裝形狀尺寸如下圖:

對插式剩余電流互感器外形及固定支架尺寸圖
■ 對插式剩余電流互感器 選型

■ 貫通式剩余電流互感器 安裝方法、尺寸
.jpg)
圓形剩余電流互感器 矩形剩余電流互感器

■ 矩形剩余電流互感器 選型

第五節 電氣火災監控系統設計圖形符號

注:探測器圖形符號中的 n 表示剩余電流互感器或溫度傳感器數量,即 L01、L04 等。
第六節 電氣火災監控系統的組成及設計圖例
● 獨立式電氣火災監控探測器
航天常興的電氣火災監控探測器可以獨立使用。探測器具有數字顯示、聲光報警、通訊、輸出等功能。
應用場合:主要適合于較小的用電單位 / 用于有人值守的單位及場合。

在大多數實際應用中,通常采用多臺監控探測器與電氣火災監控設備構成電氣火災監控系統。探測器分別安裝在配電系統分級保護的一級或二級配電箱處,監控設備安裝在值班室或中控室內。
根據擬安裝位置所需求的監測回路數量,可以混合選用 1 路、4 路、8 路剩余電流式電氣火災監控探測器或者測溫式或混合式電氣火災監控探測器。
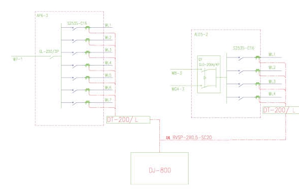
例:N 臺 DT-200/L 或 DT-200/W 或 DT-200/LW 電氣火災監控探測器與 DJ-800 電氣火災監控設備最多構成 3760 路分散監測所在線路剩余電流值、溫度值集中報警的電氣火災監控系統。
電氣火災監控設備具體回路數、地址數視不同機型和客戶選擇而定。
系統示意圖及設計示意如下圖:

第七節 電氣火災監控系統的設計應用
在低壓配電系統中,為了縮小發生事故和接地故障切斷電源時引起的停電范圍,保護裝置一般都采用 分級 或 逐級保護。
一般情況下分為三級。與此相對應,預防電氣火災的監控探測器的安裝位置通常位于三級保護的一級、二級處。
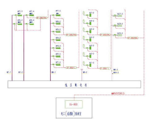
7.1 在中小型的低壓配電系統中,監控探測器宜設計于配電系統圖上,剩余電流互感器和溫度傳感器安裝在配電柜電纜的出線上,監控設備設置在值班室或中控室內。下圖為配電線路電源端(第一級)安裝監控探測器的設計圖例:

7.2 在大中型低壓配電系統中,監控探測器宜設計于配電干線分支系統圖樓層配電箱,剩余電流互感器安裝在配電柜電纜的進線端。下圖為在配電線路干線分支(第二級進線端)安裝剩余電流監控探測器的設計圖例:

或者,也可以畫在配電箱系統圖上,剩余電流互感器安裝于配電箱(柜)電纜的進線端。如下圖所示:

在配電箱系統圖的電纜出線端,安裝監控探測器的設計圖例如下所示:

第八節 設計選型注意事項
電壓配電系統有多種接地形式,安裝電氣火災監控系統的配電系統要求其接地形式為TN-S、TT系統,在TN-C系統中應將電氣火災監控探測器安裝在重復接地點之后,即TN-C-S系統中。
電氣火災監控探測器安裝在分級保護中的一級或二級位置的電纜進線處,可以掌握整個配電系統的電氣絕緣狀況,安裝在配電箱電纜出線端,能夠較為快捷定位漏電(過溫或過流)的故障點,但系統較為龐雜。如果只監測系統的一級或二級部分回路,應選擇那些電氣火災危險性大且較重要的部位以及不允許隨意斷電的線路。
電氣火災監控系統與已經普遍應用的感煙火災報警系統,在監控對象、功能作用、安裝位置、監測點布局、報警后處理等各方面都有很大區別,一般不應把兩者混在一起。但在智能化建筑中,可以把電氣火災監控系統的報警信號傳送給火災自動報警系統主機。更可以通過智能數據傳輸單元實現云平臺大數據實時共享業務。
第九節 剩余電流值排查工具
- 適用于微小漏電電流監測,可以測量影響電氣設備的3、5、7、9次高次諧波;
- CT部分和顯示部分可以分開,讀值和測量操作更為便捷;
- 可以配不同尺寸C,適用于各種配電場合。





第十節 電纜型號、空開容量與互感器選型表

第十一節 數據匯總:為什么安裝電氣火災監控系統

微信
抖音